Warning Icon

For other alternatives, please contact us for more information.

0 Alternative products available

E14R00P02

Tower Mounted Amplifier, Dual DCS 1800 with AISG 2.0, with 4.3-10 connectors

Finish making your selections or clear them to view relevant specifications.
Download specifications
Features and benefits
  • Industry leading PIM performance
  • New 4.3-10 connectors for improved PIM performance and size reduction
  • TMA is operating in AISG & CWA mode, Alarm Current consumption CWA mode 190 mA
  • Designed to boost UP-Link Coverage and KPIs
  • RET interface to control antenna RET actuators with AISG standard
  • Single AISG with 1 RET connector
  • Automatic LNA by-pass function
  • Built in lightning protection
  • 1 device with 2 sub-units
  • Connectors “in line”
  • 2 input ports and 2 output ports

Product classification

Product Type 1-BTS:1-ANT (Uniplex) | Tower mounted amplifier

General specifications

Color Gray
Modularity 2-Twin
Mounting Pole | Wall
Mounting Pipe Hardware Band clamps (2)
RF Connector Interface 4.3-10 Female

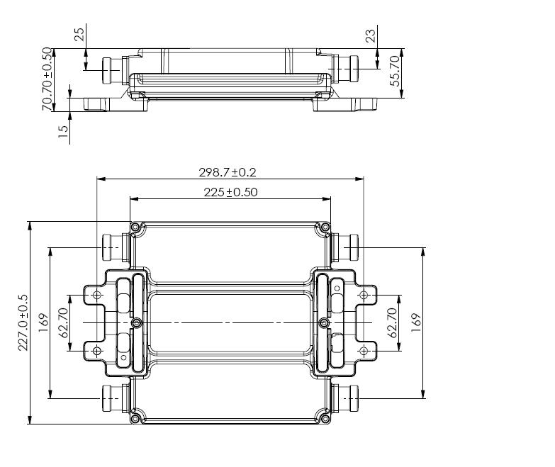
Dimensions

Height 225 mm | 8.858 in
Width 227 mm | 8.937 in
Depth 56 mm | 2.205 in
Ground Screw Diameter 8 mm | 0.315 in
Mounting Pipe Diameter Range 40–160 mm

Outline drawing

Click on image to enlarge.

Electrical specifications

License Band, LNA DCS 1800
Voltage 9 Vdc

Electrical specifications, dc power/alarm

dc Switching/Redundancy Yes
Lightning Surge Current 10 kA
Lightning Surge Current Waveform 8/20 waveform
Operating Current at Voltage 110 mA @ 12 V
Operating Current Tolerance ±20 mA
Voltage 7–30 Vdc
Voltage, CWA Mode 10–18 Vdc
Alarm Current, CWA Mode 195 mA ±15 mA

Electrical specifications, aisg

AISG Connector 8-pin DIN Female
AISG Connector Standard IEC 60130-9
Protocol AISG 2.0
Voltage, AISG Mode 10–30 Vdc

Electrical specifications

Sub-module 1 | 2
Branch 1
Port Designation ANT
License Band DCS 1800, LNA

Electrical specifications, rx uplink

Frequency Range, MHz 1710–1785
Bandwidth, MHz 75.00
Gain, nominal, dB 12.0
Gain Tolerance, dB ±1
Noise Figure, maximum, dB 1.8
Noise Figure, typical, dB 1.4
Group Delay Variation, maximum, ns 50
Group Delay Variation Bandwidth, MHz 5.00
Total Group Delay, maximum, ns 150
Return Loss, minimum, dB 18
Insertion Loss - Bypass Mode, typical, dB 3.0
Return Loss - Bypass Mode, typical, dB 14
TX Band Rejection, minimum, dB 75

Electrical specifications, tx downlink

Frequency Range, MHz 1805–1880
Bandwidth, MHz 75.00
Insertion Loss, maximum, dB 0.70
Insertion Loss, typical, dB 0.40
Insertion Loss Ripple, maximum, dB 0.50
Group Delay Variation, maximum, ns 13
Group Delay Variation Bandwidth, MHz 5.00
Total Group Delay, maximum, ns 45
Return Loss, minimum, dB 18
RX Band Rejection, minimum, dB 45
Input Power, RMS, maximum, W 200
Input Power, PEP, maximum, W 5,000
3rd Order PIM, typical, dBc -163
3rd Order PIM Test Method Two +43 dBm carriers

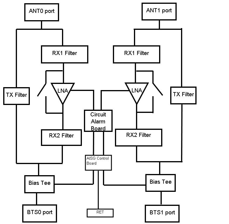
Block diagram

Click on image to enlarge.

Material specifications

Finish Painted

Environmental specifications

Operating Temperature -40 °C to +65 °C (-40 °F to +149 °F)
Relative Humidity Up to 100%
Corrosion Test Method IEC 60068-2-11, 30 days
Ingress Protection Test Method IEC 60529:2001, IP67

Packaging and weights

Included Mounting hardware
Volume 2.8 L
Weight, net 4.5 kg | 9.921 lb

Regulatory compliance/certifications

Agency Classification
ISO 9001:2015 Designed, manufactured and/or distributed under this quality management system

Product classification

Product Type 1-BTS:1-ANT (Uniplex) | Tower mounted amplifier

General specifications

Color Gray
Modularity 2-Twin
Mounting Pole | Wall
Mounting Pipe Hardware Band clamps (2)
RF Connector Interface 4.3-10 Female

Dimensions

Height 225 mm | 8.858 in
Width 227 mm | 8.937 in
Depth 56 mm | 2.205 in
Ground Screw Diameter 8 mm | 0.315 in
Mounting Pipe Diameter Range 40–160 mm

Electrical specifications

License Band, LNA DCS 1800
Voltage 9 Vdc

Electrical specifications, dc power/alarm

dc Switching/Redundancy Yes
Lightning Surge Current 10 kA
Lightning Surge Current Waveform 8/20 waveform
Operating Current at Voltage 110 mA @ 12 V
Operating Current Tolerance ±20 mA
Voltage 7–30 Vdc
Voltage, CWA Mode 10–18 Vdc
Alarm Current, CWA Mode 195 mA ±15 mA

Electrical specifications, aisg

AISG Connector 8-pin DIN Female
AISG Connector Standard IEC 60130-9
Protocol AISG 2.0
Voltage, AISG Mode 10–30 Vdc

Electrical specifications

Sub-module 1 | 2
Branch 1
Port Designation ANT
License Band DCS 1800, LNA

Electrical specifications, rx uplink

Frequency Range, MHz 1710–1785
Bandwidth, MHz 75.00
Gain, nominal, dB 12.0
Gain Tolerance, dB ±1
Noise Figure, maximum, dB 1.8
Noise Figure, typical, dB 1.4
Group Delay Variation, maximum, ns 50
Group Delay Variation Bandwidth, MHz 5.00
Total Group Delay, maximum, ns 150
Return Loss, minimum, dB 18
Insertion Loss - Bypass Mode, typical, dB 3.0
Return Loss - Bypass Mode, typical, dB 14
TX Band Rejection, minimum, dB 75

Electrical specifications, tx downlink

Frequency Range, MHz 1805–1880
Bandwidth, MHz 75.00
Insertion Loss, maximum, dB 0.70
Insertion Loss, typical, dB 0.40
Insertion Loss Ripple, maximum, dB 0.50
Group Delay Variation, maximum, ns 13
Group Delay Variation Bandwidth, MHz 5.00
Total Group Delay, maximum, ns 45
Return Loss, minimum, dB 18
RX Band Rejection, minimum, dB 45
Input Power, RMS, maximum, W 200
Input Power, PEP, maximum, W 5,000
3rd Order PIM, typical, dBc -163
3rd Order PIM Test Method Two +43 dBm carriers

Material specifications

Finish Painted

Environmental specifications

Operating Temperature -40 °C to +65 °C (-40 °F to +149 °F)
Relative Humidity Up to 100%
Corrosion Test Method IEC 60068-2-11, 30 days
Ingress Protection Test Method IEC 60529:2001, IP67

Packaging and weights

Included Mounting hardware
Volume 2.8 L
Weight, net 4.5 kg | 9.921 lb
Click on image to enlarge.
Click on image to enlarge.

Regulatory compliance/certifications

Agency Classification
ISO 9001:2015 Designed, manufactured and/or distributed under this quality management system
Filter Products – Designed for PIM Excellence
Filter Products – Designed for PIM Excellence

Product specification

Product specification