E14F10P97
Twin Triplexer 380-960/1350-2200/2300-2700, DC bypass on all ports, 4.3-10 connectors
Features and benefits
- New 4.3-10 connectors for improved PIM performance and size reduction
- Twin configuration
- dc/AISG pass-through on all frequency ports
Specifications
Product classification
| Product Type | Triplexer |
General specifications
| Color | Gray |
| Modularity | 2-Twin |
| Mounting | Pole | Wall |
| Mounting Pipe Hardware | Band clamps (2) |
| RF Connector Interface | 4.3-10 Female |
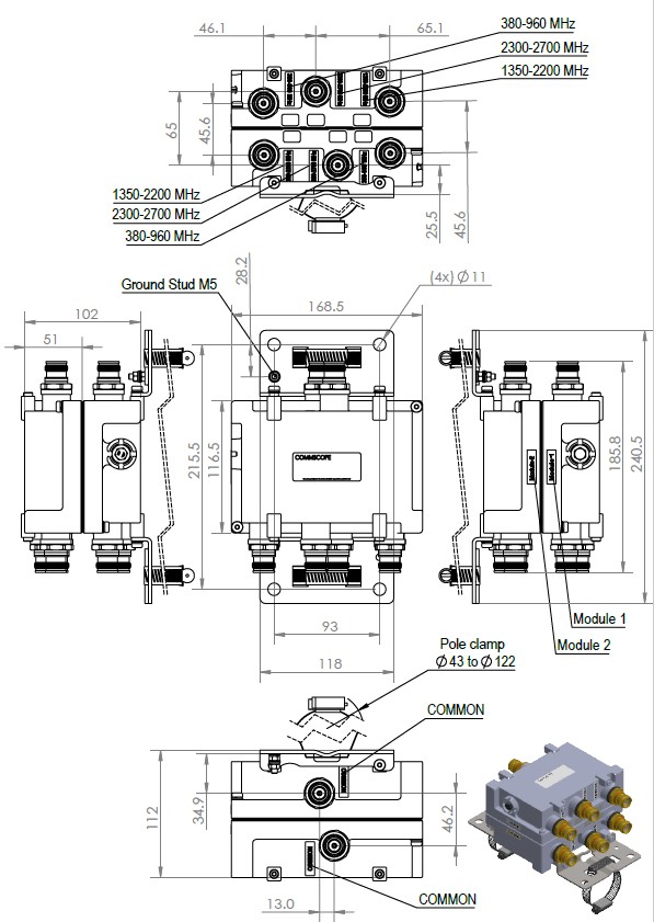
Dimensions
| Height | 102 mm | 4.016 in |
| Width | 168.5 mm | 6.634 in |
| Depth | 116.5 mm | 4.587 in |
| Mounting Pipe Diameter Range | 43–122 mm |
Outline drawing
| Click on image to enlarge. |
Electrical specifications
| Impedance | 50 ohm |
Electrical specifications, dc power/alarm
| dc/AISG Pass-through Path | Branch 1 | Branch 2 | Branch 3 |
| dc/AISG Pass-through, combiner | Branch 1 | Branch 2 | Branch 3 |
| dc/AISG Pass-through, demultiplexer | Branch 1 | Branch 2 | Branch 3 |
| Lightning Surge Current | 10 kA |
| Lightning Surge Current Waveform | 8/20 waveform |
Electrical specifications
| Sub-module | 1 | 2 | 1 | 2 | 1 | 2 |
| Branch | 1 | 2 | 3 |
| Port Designation | 380-960 | 1350-2200 | 2300-2700 |
Electrical specifications, band pass
| Frequency Range, MHz | 380–960 | 1350–2200 | 2300–2700 |
| Insertion Loss, typical, dB | 0.20 | 0.20 | 0.20 |
| Return Loss, typical, dB | 20 | 20 | 20 |
| Isolation, typical, dB | 52 | 52 | 52 |
| Input Power, RMS, maximum, W | 200 | 200 | 200 |
| Input Power, PEP, maximum, W | 2,000 | 2,000 | 2,000 |
| 3rd Order PIM, typical, dBc | -162 | -162 | -162 |
| 3rd Order PIM Test Method | Two +43 dBm carriers | Two +43 dBm carriers | Two +43 dBm carriers |
Block diagram
| Click on image to enlarge. |
Environmental specifications
| Operating Temperature | -40 °C to +65 °C (-40 °F to +149 °F) |
| Corrosion Test Method | IEC 60068-2-11, 30 days |
| Environmental Test Method | ETSI EN 300 019-1-4 |
| Ingress Protection Test Method | IEC 60529:2001, IP67 |
Packaging and weights
| Included | Mounting hardware |
| Volume | 2 L |
| Weight, with mounting hardware | 3.8 kg | 8.378 lb |
| Weight, without mounting hardware | 3.4 kg | 7.496 lb |
Product classification
| Product Type | Triplexer |
General specifications
| Color | Gray |
| Modularity | 2-Twin |
| Mounting | Pole | Wall |
| Mounting Pipe Hardware | Band clamps (2) |
| RF Connector Interface | 4.3-10 Female |
Dimensions
| Height | 102 mm | 4.016 in |
| Width | 168.5 mm | 6.634 in |
| Depth | 116.5 mm | 4.587 in |
| Mounting Pipe Diameter Range | 43–122 mm |
Electrical specifications
| Impedance | 50 ohm |
Electrical specifications, dc power/alarm
| dc/AISG Pass-through Path | Branch 1 | Branch 2 | Branch 3 |
| dc/AISG Pass-through, combiner | Branch 1 | Branch 2 | Branch 3 |
| dc/AISG Pass-through, demultiplexer | Branch 1 | Branch 2 | Branch 3 |
| Lightning Surge Current | 10 kA |
| Lightning Surge Current Waveform | 8/20 waveform |
Electrical specifications
| Sub-module | 1 | 2 | 1 | 2 | 1 | 2 |
| Branch | 1 | 2 | 3 |
| Port Designation | 380-960 | 1350-2200 | 2300-2700 |
Electrical specifications, band pass
| Frequency Range, MHz | 380–960 | 1350–2200 | 2300–2700 |
| Insertion Loss, typical, dB | 0.20 | 0.20 | 0.20 |
| Return Loss, typical, dB | 20 | 20 | 20 |
| Isolation, typical, dB | 52 | 52 | 52 |
| Input Power, RMS, maximum, W | 200 | 200 | 200 |
| Input Power, PEP, maximum, W | 2,000 | 2,000 | 2,000 |
| 3rd Order PIM, typical, dBc | -162 | -162 | -162 |
| 3rd Order PIM Test Method | Two +43 dBm carriers | Two +43 dBm carriers | Two +43 dBm carriers |
Environmental specifications
| Operating Temperature | -40 °C to +65 °C (-40 °F to +149 °F) |
| Corrosion Test Method | IEC 60068-2-11, 30 days |
| Environmental Test Method | ETSI EN 300 019-1-4 |
| Ingress Protection Test Method | IEC 60529:2001, IP67 |
Packaging and weights
| Included | Mounting hardware |
| Volume | 2 L |
| Weight, with mounting hardware | 3.8 kg | 8.378 lb |
| Weight, without mounting hardware | 3.4 kg | 7.496 lb |
| Click on image to enlarge. |
| Click on image to enlarge. |
Installation & videos
Filter Products – Designed for PIM Excellence
Filter Products – Designed for PIM Excellence
Documentation & downloads