Warning Icon

For other alternatives, please contact us for more information.

0 Alternative products available

E16V90P58

Twin Quadplexer 698-960/18/21/23-26, dc smart bypass with 4.3-10 connectors

Finish making your selections or clear them to view relevant specifications.
Download specifications
Features and benefits
  • Industry leading PIM performance
  • New 4.3-10 connectors for improved PIM performance and size reduction
  • Twin configuration
  • Suitable for feeders cables reduction
  • Designed for network Modernization, introduction of LTE2600 on existing site
  • DC/AISG SMART bypass functionality

Product classification

Product Type Quadplexer

General specifications

Product Family CBC7182126
Color Gray
Common Port Label PORT 0 COM
Modularity 2-Twin
Mounting Pole | Wall
Mounting Pipe Hardware Band clamps (2)
RF Connector Interface 4.3-10 Female
RF Connector Interface Body Style Medium neck

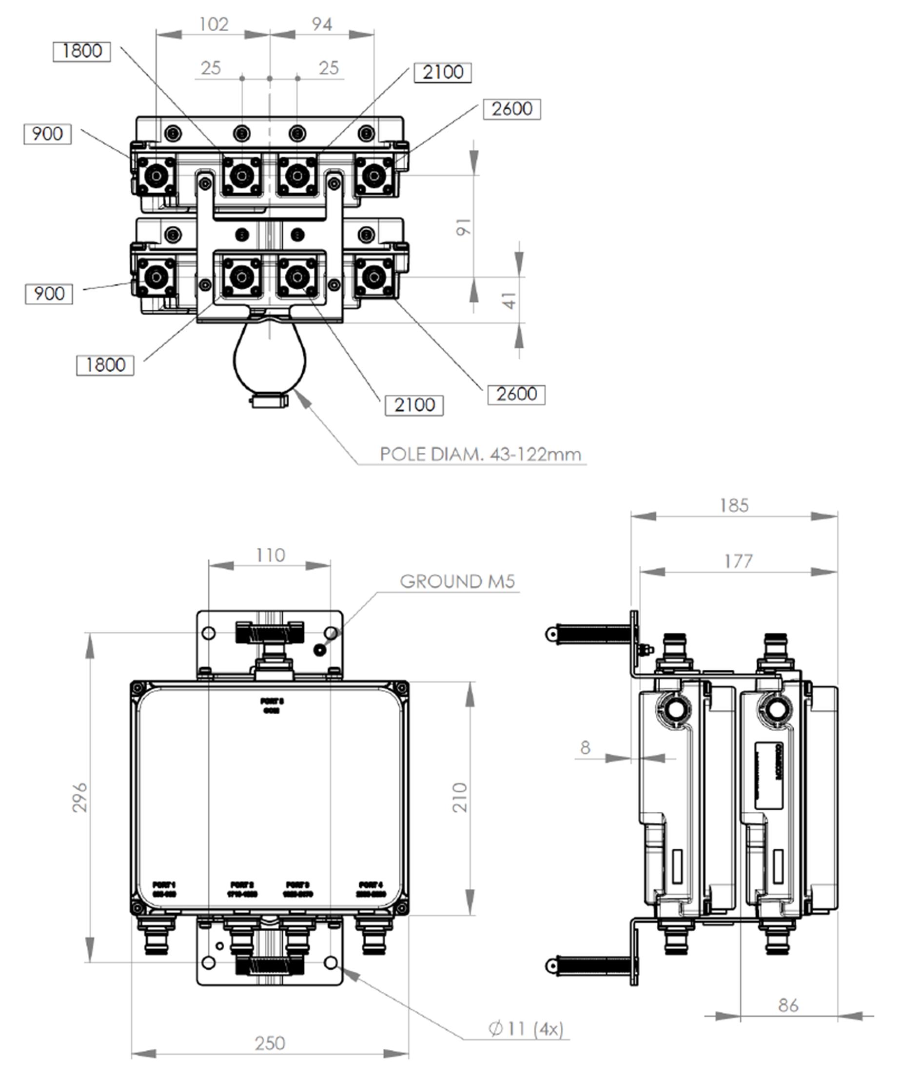
Dimensions

Height 210 mm | 8.268 in
Width 250 mm | 9.843 in
Depth 141 mm | 5.551 in
Mounting Pipe Diameter Range 42.6–122 mm

Outline drawing

Click on image to enlarge.

Electrical specifications

Impedance 50 ohm
License Band, Band Pass APT 700 | AWS 2000 | CEL 850 | CEL 900 | DCS 1800 | EDD 800 | IMT 2100 | IMT 2600 | LMR 800 | LMR 900 | PCS 1900

Electrical specifications, dc power/alarm

dc/AISG Pass-through, combiner Branch 1 | Branch 2 | Branch 3 | Branch 4
dc/AISG Pass-through, demultiplexer Branch 1 | Branch 2 | Branch 3 | Branch 4
Lightning Surge Current 5 kA
Lightning Surge Current Waveform 8/20 waveform

Electrical specifications, aisg

AISG Carrier 2176 KHz ± 100 ppm
Insertion Loss, maximum 0.5 dB
Return Loss, minimum 10 dB

Electrical specifications

Sub-module 1 | 2 1 | 2 1 | 2 1 | 2
Branch 1 2 3 4
Port Designation PORT 1 698-960 PORT 2 1710-1880 PORT 3 1920-2170 PORT 4 2300-2690
License Band CEL 850, Band Pass
CEL 900, Band Pass
EDD 800, Band Pass
LMR 800, Band Pass
LMR 900, Band Pass
DCS 1800, Band Pass AWS 2000, Band Pass
IMT 2100, Band Pass
PCS 1900, Band Pass
IMT 2600, Band Pass

Electrical specifications, band pass

Frequency Range, MHz 698–960 1710–1880 1920–2170 2300–2690
Insertion Loss, typical, dB 0.20 0.20 0.30 0.15
Return Loss, typical, dB 20 20 20 20
Isolation, minimum, dB 50 50 50 50
Input Power, RMS, maximum, W 300 300 300 250
3rd Order PIM, typical, dBc -160 -160 -160 -160
3rd Order PIM Test Method Two +43 dBm carriers Two +43 dBm carriers Two +43 dBm carriers Two +43 dBm carriers

Block diagram

Click on image to enlarge.

Mechanical specifications

Wind Speed, maximum 216 km/h (134 mph)

Environmental specifications

Operating Temperature -40 °C to +65 °C (-40 °F to +149 °F)
Relative Humidity 15%–100%
Corrosion Test Method IEC 60068-2-11, 30 days
Ingress Protection Test Method IEC 60529:2001, IP67
Vibration Test Method IEC 60068-2-6

Packaging and weights

Included Mounting hardware
Weight, net 10 kg | 22.046 lb

Product classification

Product Type Quadplexer

General specifications

Product Family CBC7182126
Color Gray
Common Port Label PORT 0 COM
Modularity 2-Twin
Mounting Pole | Wall
Mounting Pipe Hardware Band clamps (2)
RF Connector Interface 4.3-10 Female
RF Connector Interface Body Style Medium neck

Dimensions

Height 210 mm | 8.268 in
Width 250 mm | 9.843 in
Depth 141 mm | 5.551 in
Mounting Pipe Diameter Range 42.6–122 mm

Electrical specifications

Impedance 50 ohm
License Band, Band Pass APT 700 | AWS 2000 | CEL 850 | CEL 900 | DCS 1800 | EDD 800 | IMT 2100 | IMT 2600 | LMR 800 | LMR 900 | PCS 1900

Electrical specifications, dc power/alarm

dc/AISG Pass-through, combiner Branch 1 | Branch 2 | Branch 3 | Branch 4
dc/AISG Pass-through, demultiplexer Branch 1 | Branch 2 | Branch 3 | Branch 4
Lightning Surge Current 5 kA
Lightning Surge Current Waveform 8/20 waveform

Electrical specifications, aisg

AISG Carrier 2176 KHz ± 100 ppm
Insertion Loss, maximum 0.5 dB
Return Loss, minimum 10 dB

Electrical specifications

Sub-module 1 | 2 1 | 2 1 | 2 1 | 2
Branch 1 2 3 4
Port Designation PORT 1 698-960 PORT 2 1710-1880 PORT 3 1920-2170 PORT 4 2300-2690
License Band CEL 850, Band Pass; CEL 900, Band Pass; EDD 800, Band Pass; LMR 800, Band Pass; LMR 900, Band Pass DCS 1800, Band Pass AWS 2000, Band Pass; IMT 2100, Band Pass; PCS 1900, Band Pass IMT 2600, Band Pass

Electrical specifications, band pass

Frequency Range, MHz 698–960 1710–1880 1920–2170 2300–2690
Insertion Loss, typical, dB 0.20 0.20 0.30 0.15
Return Loss, typical, dB 20 20 20 20
Isolation, minimum, dB 50 50 50 50
Input Power, RMS, maximum, W 300 300 300 250
3rd Order PIM, typical, dBc -160 -160 -160 -160
3rd Order PIM Test Method Two +43 dBm carriers Two +43 dBm carriers Two +43 dBm carriers Two +43 dBm carriers

Mechanical specifications

Wind Speed, maximum 216 km/h (134 mph)

Environmental specifications

Operating Temperature -40 °C to +65 °C (-40 °F to +149 °F)
Relative Humidity 15%–100%
Corrosion Test Method IEC 60068-2-11, 30 days
Ingress Protection Test Method IEC 60529:2001, IP67
Vibration Test Method IEC 60068-2-6

Packaging and weights

Included Mounting hardware
Weight, net 10 kg | 22.046 lb
Click on image to enlarge.
Click on image to enlarge.
Filter Products – Designed for PIM Excellence
Filter Products – Designed for PIM Excellence

Product specification

Product specification