Warning Icon

For other alternatives, please contact us for more information.

0 Alternative products available

E14F15P31

Ultra Compact Twin Quadplexer 1325-1880/1920-2170/2300-2400/2500-2690 MHz, All ports DC block, with 4.3-10 connectors

Finish making your selections or clear them to view relevant specifications.
Download specifications
Features and benefits
  • New 4.3-10 connectors for improved PIM performance and size reduction
  • dc/AISG blocking on all ports
  • Clam shell configuration

Product classification

Product Type Quadplexer

General specifications

Color Gray
Modularity 2-Twin
Mounting Pole | Wall
Mounting Pipe Hardware Band clamps (2)
RF Connector Interface 4.3-10 Female

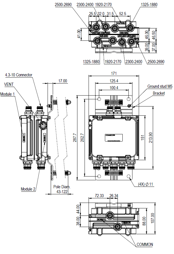
Dimensions

Height 88 mm | 3.465 in
Width 171 mm | 6.732 in
Depth 151 mm | 5.945 in
Mounting Pipe Diameter Range 42.6–122 mm

Outline drawing

Click on image to enlarge.

Electrical specifications

Impedance 50 ohm

Electrical specifications, dc power/alarm

dc/AISG Pass-through Method No dc/AISG pass-through
Lightning Surge Current 5 kA
Lightning Surge Current Waveform 8/20 waveform

Electrical specifications

Sub-module 1 | 2 1 | 2 1 | 2 1 | 2
Branch 1 2 3 4
Port Designation PORT 1 1325-1880MHz PORT 2 1920-2170MHz PORT 3 2300-2400MHz PORT 4 2500-2690MHz

Electrical specifications, band pass

Frequency Range, MHz 1325–1525
1710–1880
1920–2170 2300–2400 2500–2690
Insertion Loss, maximum, dB 0.50 0.50 0.50 0.50
Return Loss, minimum, dB 18 18 18 18
Isolation, minimum, dB 35 35 35 35
Input Power, RMS, maximum, W 100 100 100 100
Input Power, PEP, maximum, W 1,000 1,000 1,000 1,000
3rd Order PIM, typical, dBc -163 -163 -163 -163
3rd Order PIM Test Method Two +43 dBm carriers Two +43 dBm carriers Two +43 dBm carriers Two +43 dBm carriers

Block diagram

Click on image to enlarge.

Mechanical specifications

Wind Speed, maximum 240 km/h (149 mph)

Environmental specifications

Operating Temperature -40 °C to +65 °C (-40 °F to +149 °F)
Corrosion Test Method IEC 60068-2-11, 30 days
Environmental Test Method ETSI EN 300 019-1-4
Ingress Protection Test Method IEC 60529:2001, IP67
Vibration Test Method IEC 60068-2-6

Packaging and weights

Included Mounting hardware
Volume 2.3 L
Weight, without mounting hardware 2.6 kg | 5.732 lb

Product classification

Product Type Quadplexer

General specifications

Color Gray
Modularity 2-Twin
Mounting Pole | Wall
Mounting Pipe Hardware Band clamps (2)
RF Connector Interface 4.3-10 Female

Dimensions

Height 88 mm | 3.465 in
Width 171 mm | 6.732 in
Depth 151 mm | 5.945 in
Mounting Pipe Diameter Range 42.6–122 mm

Electrical specifications

Impedance 50 ohm

Electrical specifications, dc power/alarm

dc/AISG Pass-through Method No dc/AISG pass-through
Lightning Surge Current 5 kA
Lightning Surge Current Waveform 8/20 waveform

Electrical specifications

Sub-module 1 | 2 1 | 2 1 | 2 1 | 2
Branch 1 2 3 4
Port Designation PORT 1 1325-1880MHz PORT 2 1920-2170MHz PORT 3 2300-2400MHz PORT 4 2500-2690MHz

Electrical specifications, band pass

Frequency Range, MHz 1325–1525; 1710–1880 1920–2170 2300–2400 2500–2690
Insertion Loss, maximum, dB 0.50 0.50 0.50 0.50
Return Loss, minimum, dB 18 18 18 18
Isolation, minimum, dB 35 35 35 35
Input Power, RMS, maximum, W 100 100 100 100
Input Power, PEP, maximum, W 1,000 1,000 1,000 1,000
3rd Order PIM, typical, dBc -163 -163 -163 -163
3rd Order PIM Test Method Two +43 dBm carriers Two +43 dBm carriers Two +43 dBm carriers Two +43 dBm carriers

Mechanical specifications

Wind Speed, maximum 240 km/h (149 mph)

Environmental specifications

Operating Temperature -40 °C to +65 °C (-40 °F to +149 °F)
Corrosion Test Method IEC 60068-2-11, 30 days
Environmental Test Method ETSI EN 300 019-1-4
Ingress Protection Test Method IEC 60529:2001, IP67
Vibration Test Method IEC 60068-2-6

Packaging and weights

Included Mounting hardware
Volume 2.3 L
Weight, without mounting hardware 2.6 kg | 5.732 lb
Click on image to enlarge.
Click on image to enlarge.
Filter Products – Designed for PIM Excellence
Filter Products – Designed for PIM Excellence

Product specification

Product specification