Warning Icon
This product was discontinued

For other alternatives, please contact us for more information.

1 Replacement products available
  • E14F05P65
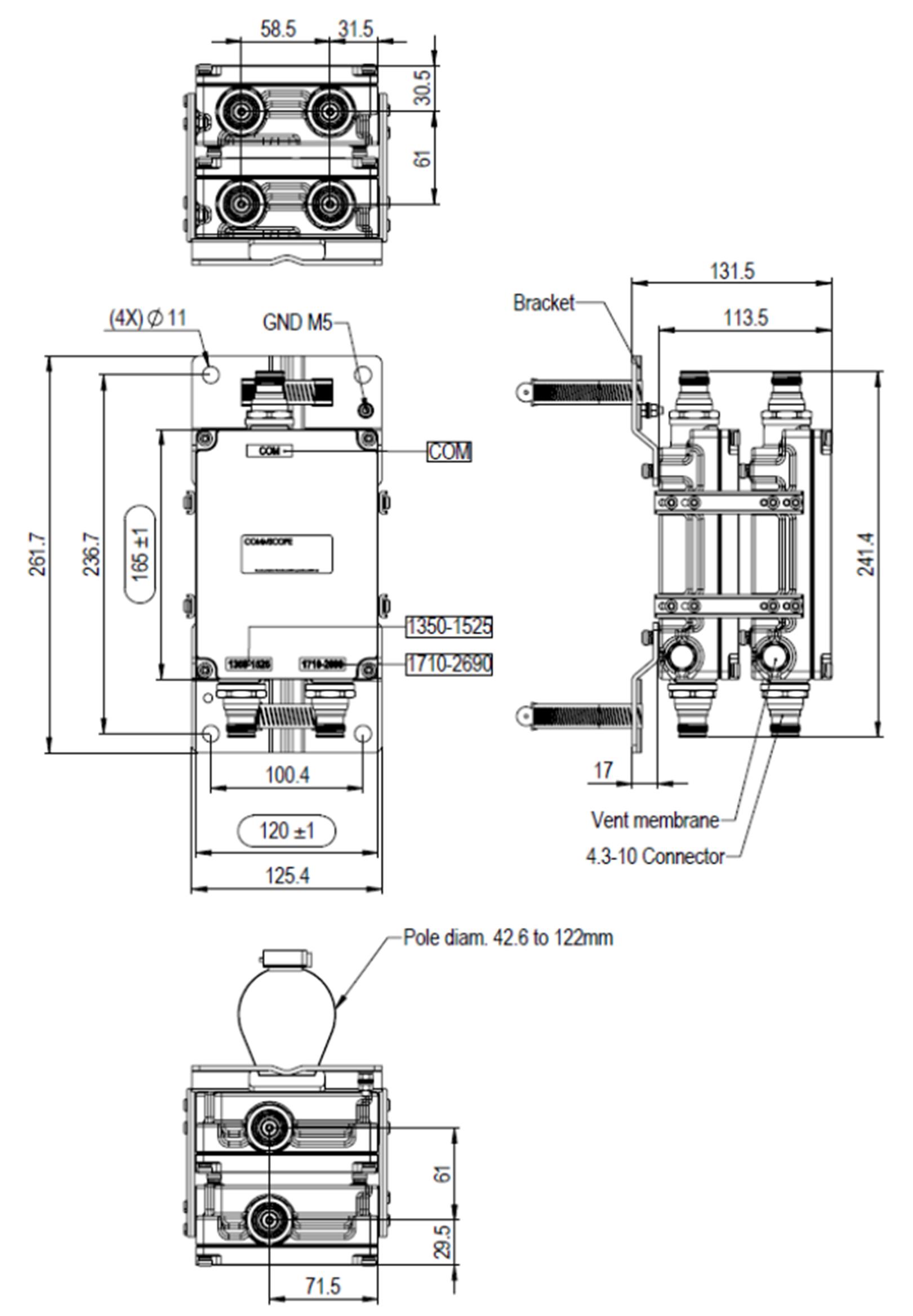
    Twin 2-pak Diplexer, 1350–1525 MHz/1710–2690 MHz, DC bypass all ports, with 4.3-10 connectors

E14F05P61

Twin 2-pak Diplexer, 1350–1525 MHz/1710–2690 MHz, DC bypass Low ports, with 4.3-10 connectors

Finish making your selections or clear them to view relevant specifications.
Download specifications
Features and benefits
  • Industry leading PIM performance
  • New 4.3-10 connectors for improved PIM performance and size reduction
  • dc/AISG pass-through on low frequency ports
  • Designed for network modernization application, introduction of LTE1400 on existing site

Product classification

Product Type Diplexer

General specifications

Product Family CBC426
Color Gray
Common Port Label ANT
Modularity 2-Twin
Mounting Pole | Wall
Mounting Pipe Hardware Band clamps (2)
RF Connector Interface 4.3-10 Female
RF Connector Interface Body Style Long neck

Dimensions

Height 165 mm | 6.496 in
Width 120 mm | 4.724 in
Depth 113.5 mm | 4.469 in
Ground Screw Diameter 5 mm | 0.197 in
Mounting Pipe Diameter Range 40–160 mm

Outline drawing

Click on image to enlarge.

Electrical specifications

Impedance 50 ohm
License Band, Band Pass APT 700 | AWS 1700 | CEL 850 | CEL 900 | DCS 1800 | EDD 800 | IMT 2100 | IMT 2600 | LMR 750 | LMR 800 | LMR 900 | PCS 1900 | PDC 1500 | SDL 1400 | TDD 2300 | TDD 2600 | USA 700 | USA 750 | WCS 2300

Electrical specifications, dc power/alarm

dc/AISG Pass-through Method Factory set
dc/AISG Pass-through Path Branch 1
dc/AISG Pass-through, combiner Branch 1
dc/AISG Pass-through, demultiplexer Branch 1
Lightning Surge Current 10 kA
Lightning Surge Current Waveform 8/20 waveform

Electrical specifications, aisg

AISG Carrier 2176 KHz ± 100 ppm
Insertion Loss, maximum 1.4 dB
Return Loss, minimum 10 dB

Electrical specifications

Sub-module 1 | 2 1 | 2
Branch 1 2
Port Designation PORT 1 1350-1525 PORT 2 1710-2690
License Band PDC 1500, Band Pass
SDL 1400, Band Pass
AWS 1700, Band Pass
DCS 1800, Band Pass
IMT 2100, Band Pass
IMT 2600, Band Pass
PCS 1900, Band Pass
TDD 2300, Band Pass
TDD 2600, Band Pass
WCS 2300, Band Pass

Electrical specifications, band pass

Frequency Range, MHz 1350–1525 1710–2690
Insertion Loss, typical, dB 0.20 0.25
Total Group Delay, typical, ns 8 8
Return Loss, minimum, dB 18 18
Return Loss, typical, dB 20 20
Isolation, minimum, dB 50 50
Input Power, RMS, maximum, W 200 200
Input Power, PEP, maximum, W 2,000 2,000
3rd Order PIM, typical, dBc -163 -163
3rd Order PIM Test Method Two +43 dBm carriers Two +43 dBm carriers

Block diagram

Click on image to enlarge.

Environmental specifications

Operating Temperature -40 °C to +65 °C (-40 °F to +149 °F)
Relative Humidity 5%–100%
Corrosion Test Method IEC 60068-2-11, 30 days
Ingress Protection Test Method IEC 60529:2001, IP67

Packaging and weights

Included Mounting hardware
Volume 2.5 L
Weight, net 4.3 kg | 9.48 lb

Regulatory compliance/certifications

Agency Classification
ISO 9001:2015 Designed, manufactured and/or distributed under this quality management system

Product classification

Product Type Diplexer

General specifications

Product Family CBC426
Color Gray
Common Port Label ANT
Modularity 2-Twin
Mounting Pole | Wall
Mounting Pipe Hardware Band clamps (2)
RF Connector Interface 4.3-10 Female
RF Connector Interface Body Style Long neck

Dimensions

Height 165 mm | 6.496 in
Width 120 mm | 4.724 in
Depth 113.5 mm | 4.469 in
Ground Screw Diameter 5 mm | 0.197 in
Mounting Pipe Diameter Range 40–160 mm

Electrical specifications

Impedance 50 ohm
License Band, Band Pass APT 700 | AWS 1700 | CEL 850 | CEL 900 | DCS 1800 | EDD 800 | IMT 2100 | IMT 2600 | LMR 750 | LMR 800 | LMR 900 | PCS 1900 | PDC 1500 | SDL 1400 | TDD 2300 | TDD 2600 | USA 700 | USA 750 | WCS 2300

Electrical specifications, dc power/alarm

dc/AISG Pass-through Method Factory set
dc/AISG Pass-through Path Branch 1
dc/AISG Pass-through, combiner Branch 1
dc/AISG Pass-through, demultiplexer Branch 1
Lightning Surge Current 10 kA
Lightning Surge Current Waveform 8/20 waveform

Electrical specifications, aisg

AISG Carrier 2176 KHz ± 100 ppm
Insertion Loss, maximum 1.4 dB
Return Loss, minimum 10 dB

Electrical specifications

Sub-module 1 | 2 1 | 2
Branch 1 2
Port Designation PORT 1 1350-1525 PORT 2 1710-2690
License Band PDC 1500, Band Pass; SDL 1400, Band Pass AWS 1700, Band Pass; DCS 1800, Band Pass; IMT 2100, Band Pass; IMT 2600, Band Pass; PCS 1900, Band Pass; TDD 2300, Band Pass; TDD 2600, Band Pass; WCS 2300, Band Pass

Electrical specifications, band pass

Frequency Range, MHz 1350–1525 1710–2690
Insertion Loss, typical, dB 0.20 0.25
Total Group Delay, typical, ns 8 8
Return Loss, minimum, dB 18 18
Return Loss, typical, dB 20 20
Isolation, minimum, dB 50 50
Input Power, RMS, maximum, W 200 200
Input Power, PEP, maximum, W 2,000 2,000
3rd Order PIM, typical, dBc -163 -163
3rd Order PIM Test Method Two +43 dBm carriers Two +43 dBm carriers

Environmental specifications

Operating Temperature -40 °C to +65 °C (-40 °F to +149 °F)
Relative Humidity 5%–100%
Corrosion Test Method IEC 60068-2-11, 30 days
Ingress Protection Test Method IEC 60529:2001, IP67

Packaging and weights

Included Mounting hardware
Volume 2.5 L
Weight, net 4.3 kg | 9.48 lb
Click on image to enlarge.
Click on image to enlarge.

Regulatory compliance/certifications

Agency Classification
ISO 9001:2015 Designed, manufactured and/or distributed under this quality management system
Filter Products – Designed for PIM Excellence
Filter Products – Designed for PIM Excellence

Product specification

Product specification