CBC6AE7LQ-DS-43 | E14F05P68
Quad Diplexer 600AE/700LABC, DC sense, 4.3-10 Connectors
Features and benefits
- BTS-to-feeder and feeder-to-antenna application
- New 4.3-10 connectors for improved PIM performance and size reduction
- Convertible mounting brackets
Specifications
Product classification
| Product Type | Diplexer |
General specifications
| Color | Gray |
| Common Port Label | COMM |
| Modularity | 4-Quad |
| Mounting | Pole | Wall |
| Mounting Pipe Hardware | Band clamps (2) |
| RF Connector Interface | 4.3-10 Female |
| RF Connector Interface Body Style | Long neck |
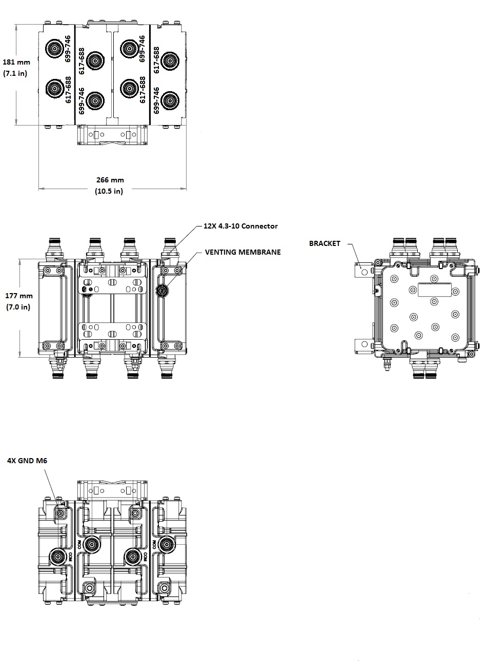
Dimensions
| Height | 181 mm | 7.126 in |
| Width | 266 mm | 10.472 in |
| Depth | 177 mm | 6.969 in |
| Ground Screw Diameter | 6 mm | 0.236 in |
Outline drawing
| Click on image to enlarge. |
Electrical specifications
| Impedance | 50 ohm |
| License Band, Band Pass | CEL 850 | USA 600 | USA 700 | USA 750 |
Electrical specifications, common port
| Composite Power, PEP | 250 W |
Electrical specifications, dc power/alarm
| dc/AISG Pass-through Method | Auto sensing |
| dc/AISG Pass-through Path | See logic table |
| Lightning Surge Current | 10 kA |
| Lightning Surge Current Waveform | 8/20 waveform |
Electrical specifications
| Sub-module | 1 | 2 | 3 | 4 | 1 | 2 | 3 | 4 |
| Branch | 1 | 2 |
| Port Designation | 617-688 | 699-746 |
| License Band | USA 600, Band Pass | USA 700, Band Pass |
Electrical specifications, band pass
| Frequency Range, MHz | 617.25–687.75 | 699.25–745.75 |
| Insertion Loss, maximum, dB | 0.45 | 0.45 |
| Insertion Loss, typical, dB | 0.20 | 0.20 |
| Total Group Delay, maximum, ns | 75 | 70 |
| Return Loss, typical, dB | 22 | 22 |
| Isolation, typical, dB | 53 | 48 |
| Input Power, RMS, maximum, W | 200 | 200 |
| Input Power, PEP, maximum, W | 2,000 | 2,000 |
| 3rd Order PIM, typical, dBc | -161 | -161 |
| 3rd Order PIM Test Method | 2 x 20 W CW tones | 2 x 20 W CW tones |
Block diagram
| Click on image to enlarge. |
Logic table
| Click on image to enlarge. |
Environmental specifications
| Operating Temperature | -40 °C to +65 °C (-40 °F to +149 °F) |
| Relative Humidity | 5%–100% |
| Corrosion Test Method | IEC 60068-2-11, 30 days |
| Ingress Protection Test Method | IEC 60529:2001, IP67 |
Packaging and weights
| Included | Mounting hardware |
| Mounting Hardware Weight | 0.5 kg | 1.102 lb |
| Weight, without mounting hardware | 10.7 kg | 23.589 lb |
Regulatory compliance/certifications
| Agency | Classification |
| ISO 9001:2015 | Designed, manufactured and/or distributed under this quality management system |
Product classification
| Product Type | Diplexer |
General specifications
| Color | Gray |
| Common Port Label | COMM |
| Modularity | 4-Quad |
| Mounting | Pole | Wall |
| Mounting Pipe Hardware | Band clamps (2) |
| RF Connector Interface | 4.3-10 Female |
| RF Connector Interface Body Style | Long neck |
Dimensions
| Height | 181 mm | 7.126 in |
| Width | 266 mm | 10.472 in |
| Depth | 177 mm | 6.969 in |
| Ground Screw Diameter | 6 mm | 0.236 in |
Electrical specifications
| Impedance | 50 ohm |
| License Band, Band Pass | CEL 850 | USA 600 | USA 700 | USA 750 |
Electrical specifications, common port
| Composite Power, PEP | 250 W |
Electrical specifications, dc power/alarm
| dc/AISG Pass-through Method | Auto sensing |
| dc/AISG Pass-through Path | See logic table |
| Lightning Surge Current | 10 kA |
| Lightning Surge Current Waveform | 8/20 waveform |
Electrical specifications
| Sub-module | 1 | 2 | 3 | 4 | 1 | 2 | 3 | 4 |
| Branch | 1 | 2 |
| Port Designation | 617-688 | 699-746 |
| License Band | USA 600, Band Pass | USA 700, Band Pass |
Electrical specifications, band pass
| Frequency Range, MHz | 617.25–687.75 | 699.25–745.75 |
| Insertion Loss, maximum, dB | 0.45 | 0.45 |
| Insertion Loss, typical, dB | 0.20 | 0.20 |
| Total Group Delay, maximum, ns | 75 | 70 |
| Return Loss, typical, dB | 22 | 22 |
| Isolation, typical, dB | 53 | 48 |
| Input Power, RMS, maximum, W | 200 | 200 |
| Input Power, PEP, maximum, W | 2,000 | 2,000 |
| 3rd Order PIM, typical, dBc | -161 | -161 |
| 3rd Order PIM Test Method | 2 x 20 W CW tones | 2 x 20 W CW tones |
Environmental specifications
| Operating Temperature | -40 °C to +65 °C (-40 °F to +149 °F) |
| Relative Humidity | 5%–100% |
| Corrosion Test Method | IEC 60068-2-11, 30 days |
| Ingress Protection Test Method | IEC 60529:2001, IP67 |
Packaging and weights
| Included | Mounting hardware |
| Mounting Hardware Weight | 0.5 kg | 1.102 lb |
| Weight, without mounting hardware | 10.7 kg | 23.589 lb |
| Click on image to enlarge. |
| Click on image to enlarge. |
| Click on image to enlarge. |
Regulatory compliance/certifications
| Agency | Classification |
| ISO 9001:2015 | Designed, manufactured and/or distributed under this quality management system |
Installation & videos
Installation instruction
Filter Products – Designed for PIM Excellence
Filter Products – Designed for PIM Excellence
Documentation & downloads