APG-BNFNF-350
Base product: SURGE-ARRESTORS
Arrestor Plus® Gas Tube Surge Arrestor (350 V), 45–2170 MHz, with interface types N Female Bulkhead and N Female
Specifications
Product classification
| Product Type | Gas tube |
| Product Brand | Arrestor Plus® |
| Ordering Note | ANDREW® non-standard product |
General specifications
| Device Type | dc Pass |
| Body Style | Bulkhead |
| Inner Contact Plating | Gold |
| Interface | N Female Bulkhead |
| Interface 2 | N Female |
| Outer Contact Plating | Silver |
| Pressurizable | No |
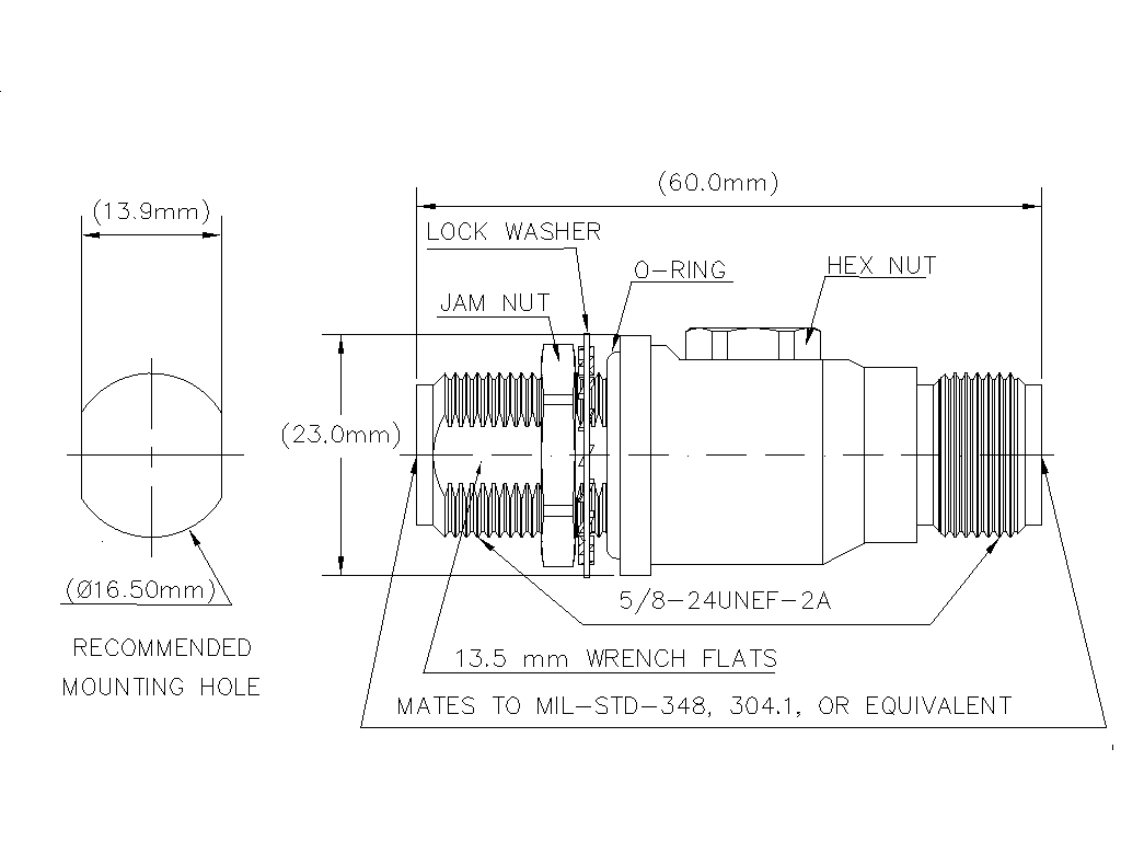
Dimensions
| Height | 26 mm | 1.024 in |
| Width | 26 mm | 1.024 in |
| Length | 60 mm | 2.362 in |
Outline drawing
| Click on image to enlarge. |
Electrical specifications
| Insertion Loss, typical | 0.1 dB |
| Average Power | 400 W |
| Connector Impedance | 50 ohm |
| Gas Tube Voltage | 350 V |
| Lightning Surge Current | 20 kA |
| Lightning Surge Current Waveform | 8/20 waveform |
| Operating Frequency Band | 45 – 1000 MHz | 1000 – 2000 MHz | 2000 – 2170 MHz |
Return loss/vswr
| Frequency band | Vswr | Return loss (db) |
| 45–1000 MHz | 1.094 | 27.00 |
| 1000–2000 MHz | 1.094 | 27.00 |
| 2000–2170 MHz | 1.173 | 22.00 |
Mechanical specifications
| Attachment Durability | 25 cycles |
| Interface Durability | 500 cycles |
| Interface Durability Method | IEC 61169-16:9.5 |
| Mechanical Shock Test Method | MIL-STD-202F, Method 213B, Test Condition C |
Environmental specifications
| Operating Temperature | -40 °C to +100 °C (-40 °F to +212 °F) |
| Storage Temperature | -40 °C to +100 °C (-40 °F to +212 °F) |
| Attenuation, Ambient Temperature | 20 °C | 68 °F |
| Average Power, Ambient Temperature | 40 °C | 104 °F |
| Corrosion Test Method | MIL-STD-202, Method 101, Test Condition B |
| Immersion Depth | 1 m |
| Immersion Test Mating | Mated |
| Immersion Test Method | IEC 60529:2001, IP68 |
| Moisture Resistance Test Method | MIL-STD-202, Method 106 |
| Thermal Shock Test Method | MIL-STD-202, Method 107, Test Condition A-1, Low Temperature -55 °C |
| Vibration Test Method | GR 2846-CORE |
| Water Jetting Test Mating | Mated |
| Water Jetting Test Method | IEC 60529:2001, IP66 |
Packaging and weights
| Weight, net | 0.093 kg | 0.204 lb |
Regulatory compliance/certifications
| Agency | Classification |
|
CHINA-ROHS
|
Below maximum concentration value |
| ISO 9001:2015 | Designed, manufactured and/or distributed under this quality management system |
| ROHS | Compliant |
| UK-ROHS | Compliant |
| REACH-SVHC | Compliant as per SVHC revision on www.andrew.com/ProductCompliance |
Product classification
| Product Type | Gas tube |
| Product Brand | Arrestor Plus® |
| Ordering Note | ANDREW® non-standard product |
General specifications
| Device Type | dc Pass |
| Body Style | Bulkhead |
| Inner Contact Plating | Gold |
| Interface | N Female Bulkhead |
| Interface 2 | N Female |
| Outer Contact Plating | Silver |
| Pressurizable | No |
Dimensions
| Height | 26 mm | 1.024 in |
| Width | 26 mm | 1.024 in |
| Length | 60 mm | 2.362 in |
Electrical specifications
| Insertion Loss, typical | 0.1 dB |
| Average Power | 400 W |
| Connector Impedance | 50 ohm |
| Gas Tube Voltage | 350 V |
| Lightning Surge Current | 20 kA |
| Lightning Surge Current Waveform | 8/20 waveform |
| Operating Frequency Band | 45 – 1000 MHz | 1000 – 2000 MHz | 2000 – 2170 MHz |
Return loss/vswr
| Frequency Band | VSWR | Return Loss (dB) |
| 45–1000 MHz | 1.094 | 27.00 |
| 1000–2000 MHz | 1.094 | 27.00 |
| 2000–2170 MHz | 1.173 | 22.00 |
Mechanical specifications
| Attachment Durability | 25 cycles |
| Interface Durability | 500 cycles |
| Interface Durability Method | IEC 61169-16:9.5 |
| Mechanical Shock Test Method | MIL-STD-202F, Method 213B, Test Condition C |
Environmental specifications
| Operating Temperature | -40 °C to +100 °C (-40 °F to +212 °F) |
| Storage Temperature | -40 °C to +100 °C (-40 °F to +212 °F) |
| Attenuation, Ambient Temperature | 20 °C | 68 °F |
| Average Power, Ambient Temperature | 40 °C | 104 °F |
| Corrosion Test Method | MIL-STD-202, Method 101, Test Condition B |
| Immersion Depth | 1 m |
| Immersion Test Mating | Mated |
| Immersion Test Method | IEC 60529:2001, IP68 |
| Moisture Resistance Test Method | MIL-STD-202, Method 106 |
| Thermal Shock Test Method | MIL-STD-202, Method 107, Test Condition A-1, Low Temperature -55 °C |
| Vibration Test Method | GR 2846-CORE |
| Water Jetting Test Mating | Mated |
| Water Jetting Test Method | IEC 60529:2001, IP66 |
Packaging and weights
| Weight, net | 0.093 kg | 0.204 lb |
| Click on image to enlarge. |
Regulatory compliance/certifications
| Agency | Classification |
|
CHINA-ROHS
|
Below maximum concentration value |
| ISO 9001:2015 | Designed, manufactured and/or distributed under this quality management system |
| ROHS | Compliant |
| UK-ROHS | Compliant |
| REACH-SVHC | Compliant as per SVHC revision on www.andrew.com/ProductCompliance |
Installation & videos
Documentation & downloads