F4PDF-C
7-16 DIN Female connector for 1/2 in FSJ4-50B cable
Specifications
Product classification
| Product Type | Wireless and radiating connector |
| Product Brand | HELIAX® |
| Product Series | FSJ4-50B | FSJ4RK-50B |
| Ordering Note | ANDREW® standard product (Global) |
General specifications
| Body Style | Straight |
| Cable Family | FSJ4-50B |
| Inner Contact Attachment Method | Captivated |
| Inner Contact Plating | Silver |
| Interface | 7-16 DIN Female |
| Mounting Angle | Straight |
| Outer Contact Attachment Method | Self-flare |
| Outer Contact Plating | Trimetal |
| Pressurizable | No |
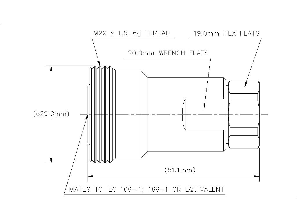
Dimensions
| Length | 50.04 mm | 1.970 in |
| Diameter | 28.96 mm | 1.140 in |
| Nominal Size | 1/2 in |
Outline drawing
| Click on image to enlarge. |
Electrical specifications
| 3rd Order IMD at Frequency | -120 dBm @ 910 MHz |
| 3rd Order IMD Test Method | Two +43 dBm carriers |
| Insertion Loss Coefficient, typical | 0.05 |
| Average Power at Frequency | 1.0 kW @ 900 MHz |
| Cable Impedance | 50 ohm |
| Connector Impedance | 50 ohm |
| dc Test Voltage | 2500 V |
| Inner Contact Resistance, maximum | 0.8 mOhm |
| Insulation Resistance, minimum | 5000 mOhm |
| Operating Frequency Band | 0 – 7500 MHz |
| Outer Contact Resistance, maximum | 1.5 mOhm |
| Peak Power, maximum | 15.6 kW |
| RF Operating Voltage, maximum (vrms) | 884 V |
| Shielding Effectiveness | -110 dB |
Return loss/vswr
| Frequency band | Vswr | Return loss (db) |
| 0–1000 MHz | 1.023 | 38.89 |
| 1000–2000 MHz | 1.025 | 38.17 |
| 2000–2300 MHz | 1.029 | 36.90 |
| 2300–4000 MHz | 1.119 | 25.01 |
Mechanical specifications
| Attachment Durability | 25 cycles |
| Connector Retention Tensile Force | 889.64 N | 200.000 lbf |
| Connector Retention Torque | 5.42 N-m | 47.998 in lb |
| Insertion Force | 200.17 N | 45.000 lbf |
| Insertion Force Method | IEC 61169-1:15.2.4 |
| Interface Durability | 500 cycles |
| Interface Durability Method | IEC 61169-4:9.5 |
| Mechanical Shock Test Method | MIL-STD-202F, Method 213B, Test Condition C |
Environmental specifications
| Operating Temperature | -55 °C to +85 °C (-67 °F to +185 °F) |
| Storage Temperature | -55 °C to +85 °C (-67 °F to +185 °F) |
| Attenuation, Ambient Temperature | 20 °C | 68 °F |
| Average Power, Ambient Temperature | 40 °C | 104 °F |
| Corrosion Test Method | MIL-STD-1344A, Method 1001.1, Test Condition A |
| Immersion Depth | 1 m |
| Immersion Test Mating | Mated |
| Immersion Test Method | IEC 60529:2001, IP68 |
| Moisture Resistance Test Method | MIL-STD-202F, Method 106F |
| Thermal Shock Test Method | MIL-STD-202, Method 107, Test Condition A-1, Low Temperature -55 °C |
| Vibration Test Method | MIL-STD-202F, Method 204D, Test Condition B |
| Water Jetting Test Mating | Mated |
| Water Jetting Test Method | IEC 60529:2001, IP66 |
Packaging and weights
| Weight, net | 150 g | 0.331 lb |
Regulatory compliance/certifications
| Agency | Classification |
|
CHINA-ROHS
|
Below maximum concentration value |
| ISO 9001:2015 | Designed, manufactured and/or distributed under this quality management system |
| ROHS | Compliant |
| UK-ROHS | Compliant, Compliant/Exempted |
| REACH-SVHC | Compliant as per SVHC revision on www.andrew.com/ProductCompliance |
Product classification
| Product Type | Wireless and radiating connector |
| Product Brand | HELIAX® |
| Product Series | FSJ4-50B | FSJ4RK-50B |
| Ordering Note | ANDREW® standard product (Global) |
General specifications
| Body Style | Straight |
| Cable Family | FSJ4-50B |
| Inner Contact Attachment Method | Captivated |
| Inner Contact Plating | Silver |
| Interface | 7-16 DIN Female |
| Mounting Angle | Straight |
| Outer Contact Attachment Method | Self-flare |
| Outer Contact Plating | Trimetal |
| Pressurizable | No |
Dimensions
| Length | 50.04 mm | 1.970 in |
| Diameter | 28.96 mm | 1.140 in |
| Nominal Size | 1/2 in |
Electrical specifications
| 3rd Order IMD at Frequency | -120 dBm @ 910 MHz |
| 3rd Order IMD Test Method | Two +43 dBm carriers |
| Insertion Loss Coefficient, typical | 0.05 |
| Average Power at Frequency | 1.0 kW @ 900 MHz |
| Cable Impedance | 50 ohm |
| Connector Impedance | 50 ohm |
| dc Test Voltage | 2500 V |
| Inner Contact Resistance, maximum | 0.8 mOhm |
| Insulation Resistance, minimum | 5000 mOhm |
| Operating Frequency Band | 0 – 7500 MHz |
| Outer Contact Resistance, maximum | 1.5 mOhm |
| Peak Power, maximum | 15.6 kW |
| RF Operating Voltage, maximum (vrms) | 884 V |
| Shielding Effectiveness | -110 dB |
Return loss/vswr
| Frequency Band | VSWR | Return Loss (dB) |
| 0–1000 MHz | 1.023 | 38.89 |
| 1000–2000 MHz | 1.025 | 38.17 |
| 2000–2300 MHz | 1.029 | 36.90 |
| 2300–4000 MHz | 1.119 | 25.01 |
Mechanical specifications
| Attachment Durability | 25 cycles |
| Connector Retention Tensile Force | 889.64 N | 200.000 lbf |
| Connector Retention Torque | 5.42 N-m | 47.998 in lb |
| Insertion Force | 200.17 N | 45.000 lbf |
| Insertion Force Method | IEC 61169-1:15.2.4 |
| Interface Durability | 500 cycles |
| Interface Durability Method | IEC 61169-4:9.5 |
| Mechanical Shock Test Method | MIL-STD-202F, Method 213B, Test Condition C |
Environmental specifications
| Operating Temperature | -55 °C to +85 °C (-67 °F to +185 °F) |
| Storage Temperature | -55 °C to +85 °C (-67 °F to +185 °F) |
| Attenuation, Ambient Temperature | 20 °C | 68 °F |
| Average Power, Ambient Temperature | 40 °C | 104 °F |
| Corrosion Test Method | MIL-STD-1344A, Method 1001.1, Test Condition A |
| Immersion Depth | 1 m |
| Immersion Test Mating | Mated |
| Immersion Test Method | IEC 60529:2001, IP68 |
| Moisture Resistance Test Method | MIL-STD-202F, Method 106F |
| Thermal Shock Test Method | MIL-STD-202, Method 107, Test Condition A-1, Low Temperature -55 °C |
| Vibration Test Method | MIL-STD-202F, Method 204D, Test Condition B |
| Water Jetting Test Mating | Mated |
| Water Jetting Test Method | IEC 60529:2001, IP66 |
Packaging and weights
| Weight, net | 150 g | 0.331 lb |
| Click on image to enlarge. |
Regulatory compliance/certifications
| Agency | Classification |
|
CHINA-ROHS
|
Below maximum concentration value |
| ISO 9001:2015 | Designed, manufactured and/or distributed under this quality management system |
| ROHS | Compliant |
| UK-ROHS | Compliant, Compliant/Exempted |
| REACH-SVHC | Compliant as per SVHC revision on www.andrew.com/ProductCompliance |
Installation & videos
Installation instruction
Documentation & downloads