C085SFPM
SMA Female Panel Mount for 0.085 in CF085-50 cable
Specifications
Product classification
| Product Type | Wireless and radiating connector |
| Product Series | CF085-50 |
General specifications
| Body Style | Panel mount |
| Cable Family | CF085-50 |
| Inner Contact Attachment Method | Solder |
| Inner Contact Plating | Gold |
| Interface | SMA Female |
| Mounting Angle | Straight |
| Outer Contact Attachment Method | Solder |
| Outer Contact Plating | Gold |
| Pressurizable | No |
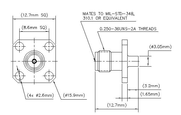
Dimensions
| Height | 16 mm | 0.630 in |
| Width | 16 mm | 0.630 in |
| Length | 12.7 mm | 0.500 in |
| Diameter | 16 mm | 0.630 in |
Outline drawing
| Click on image to enlarge. |
Electrical specifications
| 3rd Order IMD at Frequency | -112 dBm @ 910 MHz |
| 3rd Order IMD Test Method | Two +43 dBm carriers |
| Average Power at Frequency | 0.2 kW @ 900 MHz |
| Cable Impedance | 50 ohm |
| Connector Impedance | 50 ohm |
| dc Test Voltage | 1000 V |
| Inner Contact Resistance, maximum | 3 mOhm |
| Insulation Resistance, minimum | 5000 mOhm |
| Operating Frequency Band | 0 – 6000 MHz |
| Outer Contact Resistance, maximum | 2.5 mOhm |
| Peak Power, maximum | 0.21 kW |
| RF Operating Voltage, maximum (vrms) | 500 V |
| Shielding Effectiveness | -100 dB |
Return loss/vswr
| Frequency band | Vswr | Return loss (db) |
| 824–2700 MHz | 1.065 | 30.04 |
| 3000–6000 MHz | 1.290 | 18.00 |
Mechanical specifications
| Insertion Force | 97.86 N | 22.000 lbf |
| Insertion Force Method | IEC 61169-16:9.3.5 |
| Interface Durability | 500 cycles |
| Interface Durability Method | IEC 61169-4:17 |
| Mechanical Shock Test Method | IEC 60068-2-27 |
Environmental specifications
| Operating Temperature | -55 °C to +85 °C (-67 °F to +185 °F) |
| Storage Temperature | -65 °C to +125 °C (-85 °F to +257 °F) |
| Attenuation, Ambient Temperature | 20 °C | 68 °F |
| Average Power, Ambient Temperature | 40 °C | 104 °F |
| Average Power, Inner Conductor Temperature | 100 °C | 212 °F |
| Corrosion Test Method | IEC 60068-2-11 |
| Immersion Depth | 1 m |
| Immersion Test Mating | Mated |
| Immersion Test Method | IEC 60529:2001, IP68 |
| Moisture Resistance Test Method | IEC 60068-2-3 |
| Thermal Shock Test Method | IEC 60068-2-14 |
| Vibration Test Method | IEC 60068-2-6 |
Packaging and weights
| Weight, net | 3.01 g | 0.007 lb |
Regulatory compliance/certifications
| Agency | Classification |
|
CHINA-ROHS
|
Below maximum concentration value |
| ISO 9001:2015 | Designed, manufactured and/or distributed under this quality management system |
| ROHS | Compliant |
| UK-ROHS | Compliant |
| REACH-SVHC | Compliant as per SVHC revision on www.andrew.com/ProductCompliance |
Product classification
| Product Type | Wireless and radiating connector |
| Product Series | CF085-50 |
General specifications
| Body Style | Panel mount |
| Cable Family | CF085-50 |
| Inner Contact Attachment Method | Solder |
| Inner Contact Plating | Gold |
| Interface | SMA Female |
| Mounting Angle | Straight |
| Outer Contact Attachment Method | Solder |
| Outer Contact Plating | Gold |
| Pressurizable | No |
Dimensions
| Height | 16 mm | 0.630 in |
| Width | 16 mm | 0.630 in |
| Length | 12.7 mm | 0.500 in |
| Diameter | 16 mm | 0.630 in |
Electrical specifications
| 3rd Order IMD at Frequency | -112 dBm @ 910 MHz |
| 3rd Order IMD Test Method | Two +43 dBm carriers |
| Average Power at Frequency | 0.2 kW @ 900 MHz |
| Cable Impedance | 50 ohm |
| Connector Impedance | 50 ohm |
| dc Test Voltage | 1000 V |
| Inner Contact Resistance, maximum | 3 mOhm |
| Insulation Resistance, minimum | 5000 mOhm |
| Operating Frequency Band | 0 – 6000 MHz |
| Outer Contact Resistance, maximum | 2.5 mOhm |
| Peak Power, maximum | 0.21 kW |
| RF Operating Voltage, maximum (vrms) | 500 V |
| Shielding Effectiveness | -100 dB |
Return loss/vswr
| Frequency Band | VSWR | Return Loss (dB) |
| 824–2700 MHz | 1.065 | 30.04 |
| 3000–6000 MHz | 1.290 | 18.00 |
Mechanical specifications
| Insertion Force | 97.86 N | 22.000 lbf |
| Insertion Force Method | IEC 61169-16:9.3.5 |
| Interface Durability | 500 cycles |
| Interface Durability Method | IEC 61169-4:17 |
| Mechanical Shock Test Method | IEC 60068-2-27 |
Environmental specifications
| Operating Temperature | -55 °C to +85 °C (-67 °F to +185 °F) |
| Storage Temperature | -65 °C to +125 °C (-85 °F to +257 °F) |
| Attenuation, Ambient Temperature | 20 °C | 68 °F |
| Average Power, Ambient Temperature | 40 °C | 104 °F |
| Average Power, Inner Conductor Temperature | 100 °C | 212 °F |
| Corrosion Test Method | IEC 60068-2-11 |
| Immersion Depth | 1 m |
| Immersion Test Mating | Mated |
| Immersion Test Method | IEC 60529:2001, IP68 |
| Moisture Resistance Test Method | IEC 60068-2-3 |
| Thermal Shock Test Method | IEC 60068-2-14 |
| Vibration Test Method | IEC 60068-2-6 |
Packaging and weights
| Weight, net | 3.01 g | 0.007 lb |
| Click on image to enlarge. |
Regulatory compliance/certifications
| Agency | Classification |
|
CHINA-ROHS
|
Below maximum concentration value |
| ISO 9001:2015 | Designed, manufactured and/or distributed under this quality management system |
| ROHS | Compliant |
| UK-ROHS | Compliant |
| REACH-SVHC | Compliant as per SVHC revision on www.andrew.com/ProductCompliance |
Documentation & downloads