Warning Icon

For other alternatives, please contact us for more information.

0 Alternative products available

400BPDM-CR

7-16 DIN Male for CNT-400 and CNT-400-Flex braided cable

Finish making your selections or clear them to view relevant specifications.
Download specifications

Product classification

Product Type Braided cable connector
Product Brand CNT®

General specifications

Body Style Straight
Inner Contact Attachment Method Solder
Inner Contact Plating Silver
Interface 7-16 DIN Male
Outer Contact Attachment Method Crimp
Outer Contact Plating Trimetal

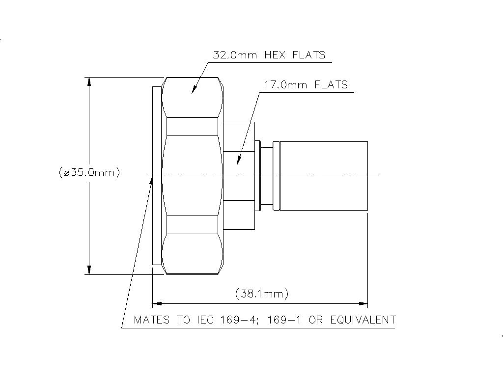
Dimensions

Width 35 mm | 1.378 in
Length 38.12 mm | 1.501 in
Diameter 35 mm | 1.378 in
Nominal Size 0.405 in

Outline drawing

Click on image to enlarge.

Electrical specifications

Insertion Loss, typical 0.05 dB
Average Power at Frequency 580.0 W @ 900 MHz
Cable Impedance 50 ohm
Connector Impedance 50 ohm
dc Test Voltage 2500 V
Inner Contact Resistance, maximum 1.5 mOhm
Insulation Resistance, minimum 10000 mOhm
Operating Frequency Band 0 – 6000 MHz
Outer Contact Resistance, maximum 0.4 mOhm
RF Operating Voltage, maximum (vrms) 894 V

Return loss/vswr

Frequency band Vswr Return loss (db)
0–3000 MHz 1.080 28.30
3000–6000 MHz 1.200 20.83

Mechanical specifications

Connector Retention Tensile Force 330 N | 74.187 lbf
Connector Retention Torque 0.56 N-m | 4.956 in lb
Coupling Nut Proof Torque 35 N-m | 309.776 in lb
Coupling Nut Proof Torque Method IEC 61169-4:9.3.6
Coupling Nut Retention Force 1000 N | 224.809 lbf
Coupling Nut Retention Force Method IEC 61169-4:15.2.6
Interface Durability 500 cycles
Interface Durability Method IEC 61169-4:17
Mechanical Shock Test Method IEC 60068-2-27

Environmental specifications

Operating Temperature -40 °C to +85 °C (-40 °F to +185 °F)
Storage Temperature -65 °C to +125 °C (-85 °F to +257 °F)
Attenuation, Ambient Temperature 20 °C | 68 °F
Average Power, Ambient Temperature 40 °C | 104 °F
Average Power, Inner Conductor Temperature 100 °C | 212 °F
Climatic Sequence Test Method IEC 60068-1
Corrosion Test Method IEC 60068-2-11
Damp Heat Steady State Test Method IEC 60068-2-3
Thermal Shock Test Method IEC 60068-2-14
Vibration Test Method IEC 60068-2-6
Water Jetting Test Mating Mated
Water Jetting Test Method IEC 60529:2001, IP65

Packaging and weights

Weight, net 57.2 g | 0.126 lb

Regulatory compliance/certifications

Agency Classification
ISO 9001:2015 Designed, manufactured and/or distributed under this quality management system

Product classification

Product Type Braided cable connector
Product Brand CNT®

General specifications

Body Style Straight
Inner Contact Attachment Method Solder
Inner Contact Plating Silver
Interface 7-16 DIN Male
Outer Contact Attachment Method Crimp
Outer Contact Plating Trimetal

Dimensions

Width 35 mm | 1.378 in
Length 38.12 mm | 1.501 in
Diameter 35 mm | 1.378 in
Nominal Size 0.405 in

Electrical specifications

Insertion Loss, typical 0.05 dB
Average Power at Frequency 580.0 W @ 900 MHz
Cable Impedance 50 ohm
Connector Impedance 50 ohm
dc Test Voltage 2500 V
Inner Contact Resistance, maximum 1.5 mOhm
Insulation Resistance, minimum 10000 mOhm
Operating Frequency Band 0 – 6000 MHz
Outer Contact Resistance, maximum 0.4 mOhm
RF Operating Voltage, maximum (vrms) 894 V

Return loss/vswr

Frequency Band VSWR Return Loss (dB)
0–3000 MHz 1.080 28.30
3000–6000 MHz 1.200 20.83

Mechanical specifications

Connector Retention Tensile Force 330 N | 74.187 lbf
Connector Retention Torque 0.56 N-m | 4.956 in lb
Coupling Nut Proof Torque 35 N-m | 309.776 in lb
Coupling Nut Proof Torque Method IEC 61169-4:9.3.6
Coupling Nut Retention Force 1000 N | 224.809 lbf
Coupling Nut Retention Force Method IEC 61169-4:15.2.6
Interface Durability 500 cycles
Interface Durability Method IEC 61169-4:17
Mechanical Shock Test Method IEC 60068-2-27

Environmental specifications

Operating Temperature -40 °C to +85 °C (-40 °F to +185 °F)
Storage Temperature -65 °C to +125 °C (-85 °F to +257 °F)
Attenuation, Ambient Temperature 20 °C | 68 °F
Average Power, Ambient Temperature 40 °C | 104 °F
Average Power, Inner Conductor Temperature 100 °C | 212 °F
Climatic Sequence Test Method IEC 60068-1
Corrosion Test Method IEC 60068-2-11
Damp Heat Steady State Test Method IEC 60068-2-3
Thermal Shock Test Method IEC 60068-2-14
Vibration Test Method IEC 60068-2-6
Water Jetting Test Mating Mated
Water Jetting Test Method IEC 60529:2001, IP65

Packaging and weights

Weight, net 57.2 g | 0.126 lb
Click on image to enlarge.

Regulatory compliance/certifications

Agency Classification
ISO 9001:2015 Designed, manufactured and/or distributed under this quality management system

Product specification

Product specification