Warning Icon

For other alternatives, please contact us for more information.

0 Alternative products available

TA-HFHR

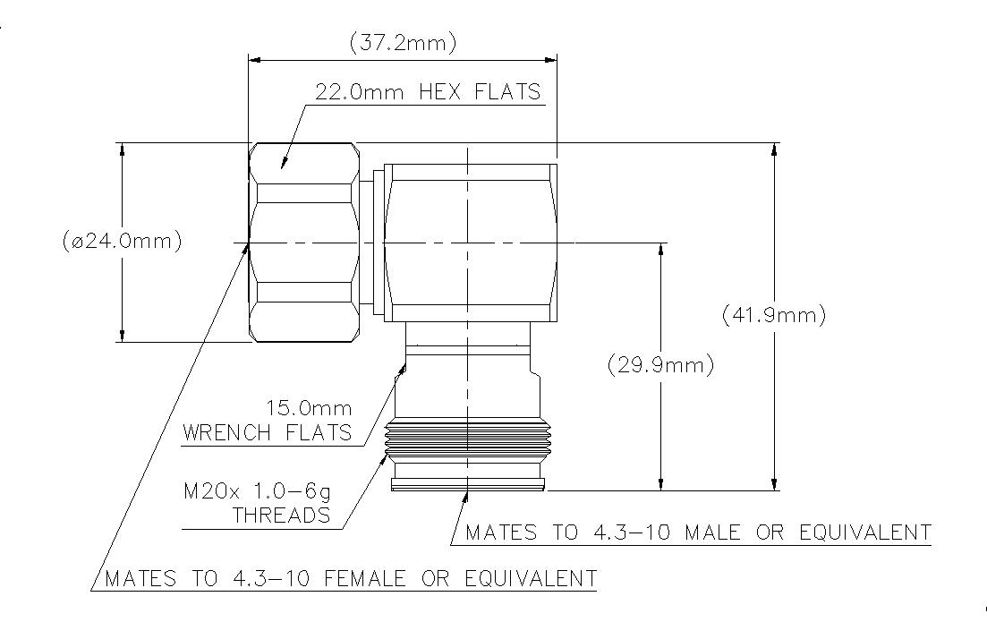
4.3-10 female to 4.3-10 male right angle adapter.

Finish making your selections or clear them to view relevant specifications.
Download specifications

Product classification

Product Type Adapter

General specifications

Body Style Right angle
Inner Contact Plating Silver
Interface 4.3-10 Male
Interface 2 4.3-10 Female
Mounting Angle Right angle
Outer Contact Plating Trimetal
Pressurizable No

Dimensions

Width 37.14 mm | 1.462 in
Length 41.84 mm | 1.647 in
Diameter 24 mm | 0.945 in

Outline drawing

Click on image to enlarge.

Electrical specifications

3rd Order IMD at Frequency -123 dBm @ 1900 MHz
3rd Order IMD Test Method Two +43 dBm carriers
Average Power at Frequency 600.0 W @ 900 MHz
Connector Impedance 50 ohm
dc Test Voltage 2500 V
Inner Contact Resistance, maximum 0.8 mOhm
Insulation Resistance, minimum 5000 mOhm
Operating Frequency Band 0 – 6000 MHz
Outer Contact Resistance, maximum 1.5 mOhm
Peak Power, maximum 15 kW

Return loss/vswr

Frequency band Vswr Return loss (db)
0–3000 MHz 1.065 30.04
3000–6000 MHz 1.152 23.02

Mechanical specifications

Coupling Nut Proof Torque 10 N-m | 88.507 in lb
Coupling Nut Retention Force 449.27 N | 101 lbf
Interface Durability 100 cycles
Interface Durability Method IEC 61169-4:9.5
Mechanical Shock Test Method IEC 60068-2-27

Environmental specifications

Operating Temperature -55 °C to +85 °C (-67 °F to +185 °F)
Storage Temperature -65 °C to +125 °C (-85 °F to +257 °F)
Attenuation, Ambient Temperature 20 °C | 68 °F
Average Power, Ambient Temperature 40 °C | 104 °F
Average Power, Inner Conductor Temperature 100 °C | 212 °F
Climatic Sequence Test Method IEC 60068-1
Corrosion Test Method IEC 60068-2-11
Damp Heat Steady State Test Method IEC 60068-2-3
Immersion Depth 1 m
Immersion Test Mating Mated
Immersion Test Method IEC 60529:2001, IP68
Thermal Shock Test Method IEC 60068-2-14
Vibration Test Method IEC 60068-2-6

Packaging and weights

Weight, net 90.38 g | 0.199 lb

Regulatory compliance/certifications

Agency Classification
CHINA-ROHS Below maximum concentration value
ISO 9001:2015 Designed, manufactured and/or distributed under this quality management system
ROHS Compliant
UK-ROHS Compliant, Compliant/Exempted
REACH-SVHC Compliant as per SVHC revision on www.andrew.com/ProductCompliance

Product classification

Product Type Adapter

General specifications

Body Style Right angle
Inner Contact Plating Silver
Interface 4.3-10 Male
Interface 2 4.3-10 Female
Mounting Angle Right angle
Outer Contact Plating Trimetal
Pressurizable No

Dimensions

Width 37.14 mm | 1.462 in
Length 41.84 mm | 1.647 in
Diameter 24 mm | 0.945 in

Electrical specifications

3rd Order IMD at Frequency -123 dBm @ 1900 MHz
3rd Order IMD Test Method Two +43 dBm carriers
Average Power at Frequency 600.0 W @ 900 MHz
Connector Impedance 50 ohm
dc Test Voltage 2500 V
Inner Contact Resistance, maximum 0.8 mOhm
Insulation Resistance, minimum 5000 mOhm
Operating Frequency Band 0 – 6000 MHz
Outer Contact Resistance, maximum 1.5 mOhm
Peak Power, maximum 15 kW

Return loss/vswr

Frequency Band VSWR Return Loss (dB)
0–3000 MHz 1.065 30.04
3000–6000 MHz 1.152 23.02

Mechanical specifications

Coupling Nut Proof Torque 10 N-m | 88.507 in lb
Coupling Nut Retention Force 449.27 N | 101 lbf
Interface Durability 100 cycles
Interface Durability Method IEC 61169-4:9.5
Mechanical Shock Test Method IEC 60068-2-27

Environmental specifications

Operating Temperature -55 °C to +85 °C (-67 °F to +185 °F)
Storage Temperature -65 °C to +125 °C (-85 °F to +257 °F)
Attenuation, Ambient Temperature 20 °C | 68 °F
Average Power, Ambient Temperature 40 °C | 104 °F
Average Power, Inner Conductor Temperature 100 °C | 212 °F
Climatic Sequence Test Method IEC 60068-1
Corrosion Test Method IEC 60068-2-11
Damp Heat Steady State Test Method IEC 60068-2-3
Immersion Depth 1 m
Immersion Test Mating Mated
Immersion Test Method IEC 60529:2001, IP68
Thermal Shock Test Method IEC 60068-2-14
Vibration Test Method IEC 60068-2-6

Packaging and weights

Weight, net 90.38 g | 0.199 lb
Click on image to enlarge.

Regulatory compliance/certifications

Agency Classification
CHINA-ROHS Below maximum concentration value
ISO 9001:2015 Designed, manufactured and/or distributed under this quality management system
ROHS Compliant
UK-ROHS Compliant, Compliant/Exempted
REACH-SVHC Compliant as per SVHC revision on www.andrew.com/ProductCompliance

Product specification

Product specification